Sign In | Join Free | My enlightcorp.com
China LINK-PP INT'L TECHNOLOGY CO., LIMITED logo
LINK-PP INT'L TECHNOLOGY CO., LIMITED
LINK-PP INT'L TECHNOLOGY CO., LIMITED
Verified Supplier

13 Years

Home > Magnetic RJ45 Jack >

JXR0-0001NL , LPJ4011CNL 100 Base-TX RJ45 1X1 Tab-Down 8 pin Magnetics Connector

LINK-PP INT'L TECHNOLOGY CO., LIMITED
Trust Seal
Verified Supplier
Credit Check
Supplier Assessment
Contact Now

JXR0-0001NL , LPJ4011CNL 100 Base-TX RJ45 1X1 Tab-Down 8 pin Magnetics Connector

Brand Name : LINK-PP

Model Number : JXR0-0001NL

Certification : UL,ROHS,Reach,ISO

Place of Origin : China

MOQ : 50/500/1000

Price : Supportive

Payment Terms : TT,NET30/60/90 Days

Supply Ability : 4600K.PCS/Month

Delivery Time : Stock

Packaging Details : 50pcs/tray,1200pcs/carton

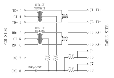
Specification : JXR0-0001NL

Part No : LPJ4011CNL

Ethernet : 1x10/100Mbps

Indicator : None

Mounting : R/A Shield

Samples : Available Free

Contact Now

JXR0-0001NL , LPJ4011CNL100 Base-TX RJ45 1X1 Tab-Down 8 pin Magnetics Connector

  • 1X1 Tab-Down RJ45 LPJ4011CNL
  • 100 Base-TX RJ45 1X1 Tab-Down 8 pin Integrated Magnetics Connector
  • Cross Equivalent JXR0-0001NL Pin to Pin
  • Designed for industrial rated applications suitable for reflow solder mounting.
  • Meets IEEE802.3 specification
  • 350μH minimum OCL with 8mA DC bias current
  • Extended Temperature range from -40℃~85℃

ELECTRICAL SPECFICATIONS @25℃
1.Turn Ratio(±2%):
TX=1CT:1CT RX=1CT:1CT
2.Inductance OCL:
350uH MIN @100KHz/0.1V,8mA DC Bias
3.Insertion Loss:
-1.1dB MAX @ 0.1-100MHz
4.Return Loss:
-18dB MIN @ 1-40MHz
-14.5dB MIN @ 60MHz
-12dB MIN @ 80MHz
-10dB MIN @ 100MHz
5.Cross talk:
-40dB MIN @ 1-30MHz
-35dB MIN @ 30-60MHz
-30dB MIN @ 60-100MHz
6.Common Mode Rejection:
-40dB TYP @ 0.1-100MHz
7.Hipot Test:1500Vrms
8.Operating Temperature: -40℃~85℃

JXR0-0001NL , LPJ4011CNL 100 Base-TX RJ45 1X1 Tab-Down 8 pin Magnetics Connector

JXR0-0001NL , LPJ4011CNL 100 Base-TX RJ45 1X1 Tab-Down 8 pin Magnetics Connector

Product Tags:

rj45 with magnetics

      

rj45 magnetic jack

      
Quality JXR0-0001NL , LPJ4011CNL 100 Base-TX RJ45 1X1 Tab-Down 8 pin Magnetics Connector for sale

JXR0-0001NL , LPJ4011CNL 100 Base-TX RJ45 1X1 Tab-Down 8 pin Magnetics Connector Images

Inquiry Cart 0
Send your message to this supplier
 
*From:
*To: LINK-PP INT'L TECHNOLOGY CO., LIMITED
*Subject:
*Message:
Characters Remaining: (0/3000)